Contoh Pneumatik. Kumpulan soal pneumatic by industrial electronic dept. Alat pengangkat beban dengan menggunkan tenaga pneumatik. Karena kita tahu mahalnya harga sebuah plc, tentu akan lebih baik jika kita membuatnya hanya dengan device kontrol relay. Menjelaskan berbagai aktuator pneumatic 3.6.
Contoh Sistem Pneumatik Rumah Belajar From rumahbelajarkuh.blogspot.com
Of smkn 1 batam petunjuk: Untuk memperoleh kondisi kerja yang optimal, diamana daya mesin dapat semaksimal mungkin, tetapi tidak merusak (mempercepat) kerusakan komponen komponen mesin maka tekanan kompresi didalam silinder mesin harus. Pneumatik merupakan cabang teori aliran atau mekanika. Sistem pneumatik memiliki desain sistem dan kontrol yang sederhana. Menentukan jenis, spesifikasi dan kuantitas komponen pnumatik yang dibutuhkan system control 3.8. Kompresor adalah peralatan yang dapat menghasilkan udara tekan yang bisa berfungsi sebagai sumber tenaga, untuk pembersihan serta pengecatan.
Pneumatik berasal dari bahasa yunani yang berarti udara atau angin.
Perkataan pneumatik berasal bahasa yunani “ pneuma “ yang berarti “napas” atau “udara”.jadi pneumatik berarti terisi udara atau digerakkan oleh udara bertekanan. Memindahkan tenaga yang besar dengan menggunakan komponen yang relatif kecil. Penggunaan udara bertekanan sebenarnya masih dapat dikembangkan untuk berbagai keperluan proses produksi, misalnya untuk melakukan gerakan mekanik yang selama ini dilakukan oleh tenaga manusia, seperti menggeser, mendorong, mengangkat, menekan, dan lain sebagainya. Komponen pneumatik yang berfungsi mengatur udara. Sistem pneumatik memiliki desain sistem dan kontrol yang sederhana. Rumus untuk mencari tekanan pneumatik.
Source: siddix.blogspot.com
Contoh alat ukur pneumatic dan fungsinya 1. Mudah dipindahkan dalam arah kebalikan (reversible) 4. Menganalisis fungsi dan diagram alir rangkaian control pnumatik 3.7. Rumus untuk mencari tekanan pneumatik. Baik itu memindahkan barang, menjepit, mendorong dan lain sebagainya.
Source: ahlisoal.blogspot.com
Pneumatik adalah sebuah ilmu yang mempelajari tentang udara bertekanan untuk memahami mekaninisme dari sebuah mesin. Memahami silinder kerja tunggal, 2. Semua sistem yang menggunakan tenaga yang disimpan dalam bentuk udara yang dimampatkan untuk menghasilkan suatu kerja disebut dengan sistem pneumatik. Pengontrolan dan pengaturan lebih mudah. Kompresor adalah peralatan yang dapat menghasilkan udara tekan yang bisa berfungsi sebagai sumber tenaga, untuk pembersihan serta pengecatan.
Source: diditcool97.blogspot.com
Pengertian silinder pneumatik adalah salah satu komponen yang berfungsi untuk melakukan gerakan dengan menggunakan metode kompresi udara sebagai medianya. Melumasi dan merawat sendiri (self lubricating) sehingga usia pakai lebih panjang. Penggunaan udara bertekanan sebenarnya masih dapat dikembangkan untuk berbagai keperluan proses produksi, misalnya untuk melakukan gerakan mekanik yang selama ini dilakukan oleh tenaga manusia, seperti menggeser, mendorong, mengangkat, menekan, dan lain sebagainya. Ada 5 bagian mekanisme dari pneumatik yang begitu penting. Pneumatik berasal dari bahasa yunani yang berarti udara atau angin.
Source: bukankopipaste.blogspot.com
F p 1 p 2 a contoh soal latihan asesmen Kompresor adalah suatu alat mekanikal yang bertujuan untuk menaikkan tekanan suatu gas dengan cara menurunkan volumenya. Sebab menggunakan udara terkompresi, maka sistem pneumatik tidak dapat dipisahkan dengan kompresor yang berfungsi untuk menghasilkan udara bertekanan tertentu. Trias kurniawan (2013030359) 07tmspc wt.e017. Karena kita tahu mahalnya harga sebuah plc, tentu akan lebih baik jika kita membuatnya hanya dengan device kontrol relay.
Source: duniabelajars.blogspot.com
Kompresor adalah peralatan yang dapat menghasilkan udara tekan yang bisa berfungsi sebagai sumber tenaga, untuk pembersihan serta pengecatan. Ada 5 bagian mekanisme dari pneumatik yang begitu penting. Menganalisis fungsi dan diagram alir rangkaian control pnumatik 3.7. Pneumatik berasal dari bahasa yunani yang berarti udara atau angin. Suatu peralatan yang berfungsi mengeringkan udara dari kompresor yang dibutuhkan oleh sistem.
Source: duniakontrol.blogspot.com
Pneumatik berasal dari bahasa yunani yang berarti udara atau angin. Sistem pneumatik adalah sebuah teknologi yang memanfaatkan udara terkompresi untuk menghasilkan efek gerakan mekanis. Sebab menggunakan udara terkompresi, maka sistem pneumatik tidak dapat dipisahkan dengan kompresor yang berfungsi untuk menghasilkan udara bertekanan tertentu. Peralatan/mesin bertenaga juga banyak yang dibuat dengan memanfaatkan udara bertekanan dari kompresor. Penggunaan udara bertekanan sebenarnya masih dapat dikembangkan untuk berbagai keperluan proses produksi, misalnya untuk melakukan gerakan mekanik yang selama ini dilakukan oleh tenaga manusia, seperti menggeser, mendorong, mengangkat, menekan, dan lain sebagainya.
Source: slideshare.net
Sebab menggunakan udara terkompresi, maka sistem pneumatik tidak dapat dipisahkan dengan kompresor yang berfungsi untuk menghasilkan udara bertekanan tertentu. Baik itu memindahkan barang, menjepit, mendorong dan lain sebagainya. Semua sistem yang menggunakan tenaga yang disimpan dalam bentuk udara yang dimampatkan untuk menghasilkan suatu kerja disebut dengan sistem pneumatik. Pneumatik berasal dari bahasa yunani yang berarti udara atau angin. Alat pengangkat beban dengan menggunkan tenaga pneumatik.
Source: rumahbelajarkuh.blogspot.com
Sumber tenaga utama adalah kompresor, yang mengisap udara dari atmosfir dan menaikan tekanannya. Pneumatik berasal dari bahasa yunani yang berarti udara atau angin. A+ silinder pertama (sebelah kiri. Kompresor adalah peralatan yang dapat menghasilkan udara tekan yang bisa berfungsi sebagai sumber tenaga, untuk pembersihan serta pengecatan. Pneumatik adalah sebuah ilmu yang mempelajari tentang udara bertekanan untuk memahami mekaninisme dari sebuah mesin.
Source: lotisvilla.blogspot.com
Pneumatik hanya mengandalkan angin untuk pengendali, sedangkan pneumatik menggunakan listrik dc 24v atau ac 220v untuk mengendalikaan kerja pneumatik. Sebab menggunakan udara terkompresi, maka sistem pneumatik tidak dapat dipisahkan dengan kompresor yang berfungsi untuk menghasilkan udara bertekanan tertentu. Namun ini hanyalah contoh sederhana agar seorang pemula pun bisa mengerti bagaimana mengontrol. Rumus untuk mencari tekanan pneumatik. Pneumatik berasal dari bahasa yunani yang berarti udara atau angin.
Source: slideshare.net
Kompresor adalah suatu alat mekanikal yang bertujuan untuk menaikkan tekanan suatu gas dengan cara menurunkan volumenya. Ada 5 bagian mekanisme dari pneumatik yang begitu penting. Semua sistem yang menggunakan tenaga yang disimpan dalam bentuk udara yang dimampatkan untuk menghasilkan suatu kerja disebut dengan sistem pneumatik. Elektro pneumatik adalah pengembangan dari pneumatik. Beberapa keuntungan menggunakan tenaga hidrolik adalah:
Source: duniabelajars.blogspot.com
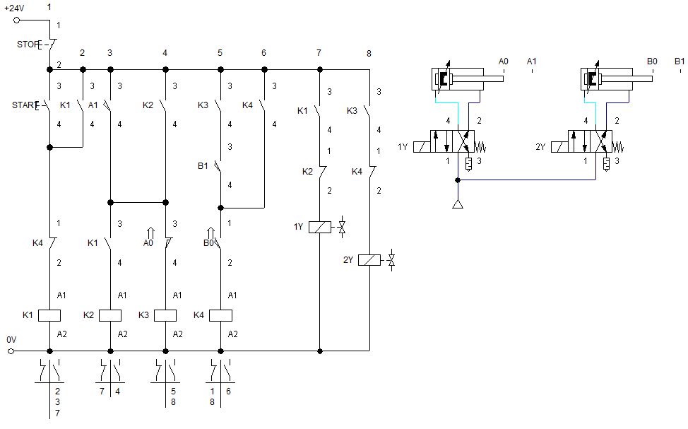
Kompresor adalah peralatan yang dapat menghasilkan udara tekan yang bisa berfungsi sebagai sumber tenaga, untuk pembersihan serta pengecatan. Mendeskripsikan berbagai jenis katub pengarah pnumatic 3.5. Berikut 16 rangkaian elektropneumatik dengan 2 silinder menggunakan software festo fluidsim. Sebab menggunakan udara terkompresi, maka sistem pneumatik tidak dapat dipisahkan dengan kompresor yang berfungsi untuk menghasilkan udara bertekanan tertentu. Pneumatik berasal dari bahasa yunani yang berarti udara atau angin.
Source: ilmupengetahuan-komputer.blogspot.com
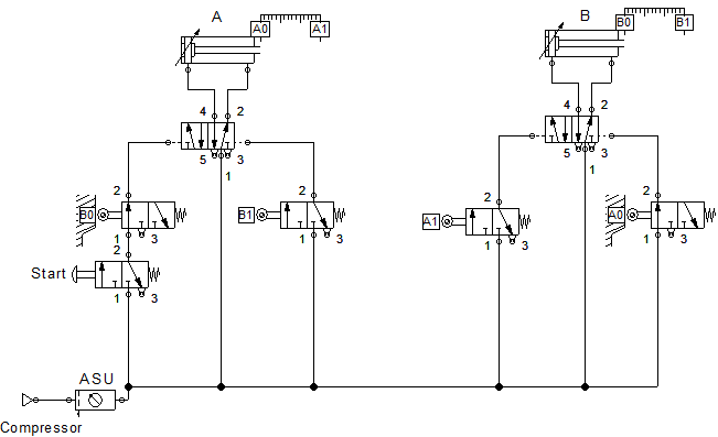
Pilihlah jawaban yang paling tepat dengan cara memberi tanda silang (x) pada lembar jawaban yang tersedia. Gambar 1 menunjukan suatu contoh sistim pneumatik yang digunakan untuk mengangkat/memindahkan beban (w). Semua sistem yang menggunakan tenaga yang disimpan dalam bentuk udara yang dimampatkan untuk menghasilkan suatu kerja disebut dengan sistem pneumatik. Udara bertekanan tinggi ini selanjutnya disimpan didalam tangki. Pengantar materi ringkasan • biasanya aktuator pneumatik dilengkapi dengan valve kontrol.
Source: siddix.blogspot.com
Perkataan pneumatik berasal bahasa yunani “ pneuma “ yang berarti “napas” atau “udara”.jadi pneumatik berarti terisi udara atau digerakkan oleh udara bertekanan. Masukan dan sensor pneumatik 3.4. Sistem pneumatik adalah sebuah teknologi yang memanfaatkan udara terkompresi untuk menghasilkan efek gerakan mekanis. Pneumatik berasal dari bahasa yunani yang berarti udara atau angin. Alat pengangkat beban dengan menggunkan tenaga pneumatik.
Source: ahlisoal.blogspot.com
Udara bertekanan tinggi ini selanjutnya disimpan didalam tangki. Memindahkan tenaga yang besar dengan menggunakan komponen yang relatif kecil. Kompresor adalah peralatan yang dapat menghasilkan udara tekan yang bisa berfungsi sebagai sumber tenaga, untuk pembersihan serta pengecatan. Prinsip kerja aktuator pneumatik •mentranslasikan sinyal kontrol menjadi suatu gaya atau torsi yang besar untuk memanipulasi elemen kontrol. Masukan dan sensor pneumatik 3.4.
Source: id-migas.blogspot.com
Alat pengangkat beban dengan menggunkan tenaga pneumatik. Rumus untuk mencari tekanan pneumatik. Pneumatik berasal dari bahasa yunani yang berarti udara atau angin. Karena kita tahu mahalnya harga sebuah plc, tentu akan lebih baik jika kita membuatnya hanya dengan device kontrol relay. Semua sistem yang menggunakan tenaga yang disimpan dalam bentuk udara yang dimampatkan untuk menghasilkan suatu kerja disebut dengan sistem pneumatik.
Source: samrasyid.com
Pilihlah jawaban yang paling tepat dengan cara memberi tanda silang (x) pada lembar jawaban yang tersedia. Pneumatik merupakan cabang teori aliran atau mekanika. Karena kita tahu mahalnya harga sebuah plc, tentu akan lebih baik jika kita membuatnya hanya dengan device kontrol relay. Sistem pneumatik memiliki desain sistem dan kontrol yang sederhana. Peralatan/mesin bertenaga juga banyak yang dibuat dengan memanfaatkan udara bertekanan dari kompresor.
Source: rumahbelajarkuh.blogspot.com
Suatu peralatan yang berfungsi mengeringkan udara dari kompresor yang dibutuhkan oleh sistem. Hal ini berlaku dengan perangkat yang digunakan oleh konsumen serta dalam aplikasi industri. Gerakan mekanik tersebut dapat dilakukan juga. Baik itu memindahkan barang, menjepit, mendorong dan lain sebagainya. Rangkaian paralel adalah rangkaian alat alat listrik yang dihubungkan secara berjajar dengan satu atau beberapa cabang.
Source: tpmismkitfitrahhanniah.blogspot.com
Katup pneumatik merupakan salah satu komponen penting di dalam peralatan pneumatik. Pilihlah jawaban yang paling tepat dengan cara memberi tanda silang (x) pada lembar jawaban yang tersedia. Praktikum pneumatik laporan memenuhi salah satu tugas yang diampu oleh bapak gumono st mt pada semester ganjil 2015/2016 oleh: Pneumatik berasal dari bahasa yunani yang berarti udara atau angin. Pneumatik adalah sebuah ilmu yang mempelajari tentang udara bertekanan untuk memahami mekaninisme dari sebuah mesin.
This site is an open community for users to share their favorite wallpapers on the internet, all images or pictures in this website are for personal wallpaper use only, it is stricly prohibited to use this wallpaper for commercial purposes, if you are the author and find this image is shared without your permission, please kindly raise a DMCA report to Us.
If you find this site value, please support us by sharing this posts to your preference social media accounts like Facebook, Instagram and so on or you can also save this blog page with the title contoh pneumatik by using Ctrl + D for devices a laptop with a Windows operating system or Command + D for laptops with an Apple operating system. If you use a smartphone, you can also use the drawer menu of the browser you are using. Whether it’s a Windows, Mac, iOS or Android operating system, you will still be able to bookmark this website.



